Spilldoc Anti-Freeze Cable Heated Combination Shower and Eyewash Station SD-590
Brand: SPILLDOC
Material: 304 Stainless Steel Type: Anti-Freeze Cable Heated Safety Shower & EyewashActivation: Hand Push Plate and Foot TreadleStandard: ANSI Z358.1-2014Warranty: 12 Months from product supply against manufacturing defects
Emergency eyewash and safety shower stations are essential equipment for every industry that uses chemical and hazardous substances. We provide a wide range of Emergency safety showers and equipment and guidance to maintain a safe environment in a hazardous workplace.
Product Concept
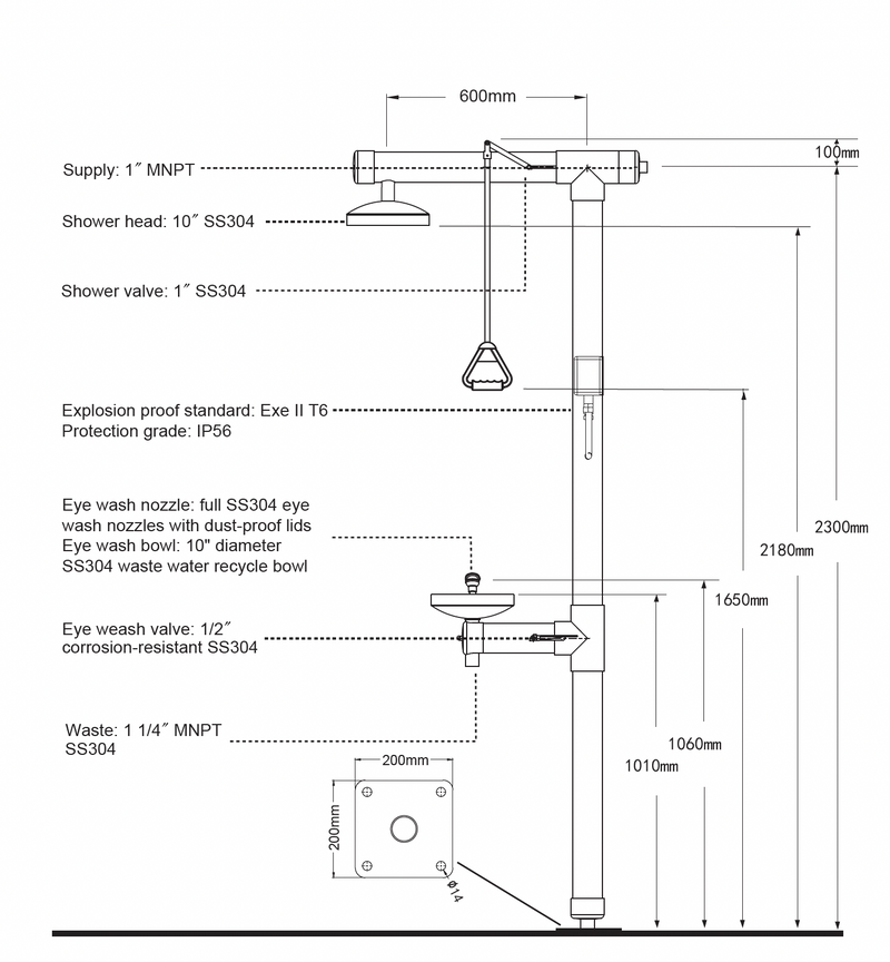
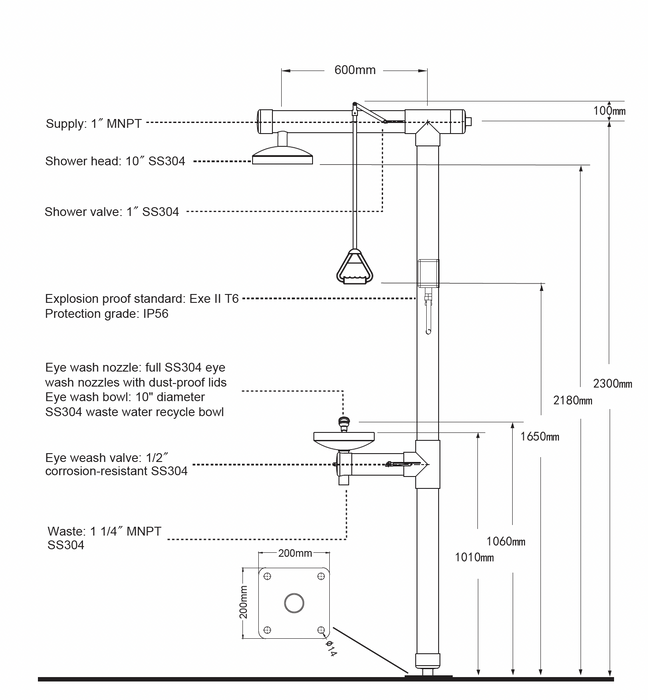
SD-590 Cable Heated Economical Eye Wash & Shower suitable for use in areas where the ambient temperature is below 0℃.Emergency eyewash and shower units are designed to rinse contaminants from the user’s eyes, face or body. As such, these units are forms of first aid equipment to be used in the event of an accident. However, they are not a substitute for primary protective devices (including eye and face protection and protective clothing) or for safety procedures when handling hazardous materials.Explosion Proof Standard: Exe II T6, it can also be customized according to customer need.
Location
In general, the ANSI standard requires that emergency equipment be installed within 10 seconds walking distance from the location of a hazard (approximately 55 feet). The equipment must be installed on the same level as the hazard (i.e. accessing the equipment should not require going up or down stairs or ramps). The path of travel from the hazard to the equipment should be free of obstructions and as direct as possible. The location of the emergency equipment must be marked with a highly visible sign.
Original Water:
Drinking water or filtered water
Hydraulic Pressure and Flow Rate
0.2-0.6MPA. If the pressure exceeds 0.2-0.6MPA, please install the relief valve to protect the user’s eyes. Eye wash flow≥11.4L/ Min, shower flow≥75.7L/ Min
Technical Data
Head: 10" SS304 shower head
Eye wash nozzle: full SS304 eye wash nozzles with dust-proof lids
Valve: Shower head valve is made of 1" SS304 ball valve
Eye wash valve is made of 1/2" SS304 ball valve
Supply: 1" MNTP Waste: 1 1/4"MNTP
Voltage: 220V-250V
Power: ≤250W
Should an accident involving chemicals or regents occur in a laboratory or a workplace, it is extremely important to immediately flush out the harmful substances from our bodies. The first 10 to 15 seconds after exposure to a hazardous substance such as corrosive substances are very critical for the personal safety of an individual.
Accidental chemical exposures can still occur even with good engineering controls and safety precautions. As a result, it is essential to look beyond the use of goggles, face shields, and procedures for using personal protective equipment. Emergency showers and eyewash stations are necessary backups to minimize the effects of accident exposure to chemicals. Safety Showers & Eyewash Station can also be used effectively in extinguishing clothing fires or for flushing contaminants from clothing.
Special Note: If the acid concentration is too high, we recommend using a 316 Stainless Steel Material
Continue reading below to understand more about Safety Shower and Eyewash Station
Safety showers and eyewash stations are essential safety devices in the workplace, particularly in environments where there is a risk of chemical exposure or other hazardous incidents. Here are some key reasons why safety showers and eyewash stations are important:
1. Emergency Response: Safety showers and eyewash stations provide immediate response and first aid in the event of chemical splashes, spills, or other hazardous exposures. They allow affected individuals to quickly rinse off or flush their bodies and eyes, helping to minimize the potential harm caused by hazardous substances.
2. Preventing Further Injury: Promptly rinsing off chemicals or hazardous substances is crucial to prevent their further absorption into the body or to minimize the extent of the injury. Safety showers and eyewash stations offer a fast and effective means of decontamination, allowing individuals to remove harmful substances from their skin and eyes before they can cause further damage.
3. Eye Protection: Eyewash stations specifically address eye exposures, which are common in various workplaces. They provide a gentle flow of water to flush the eyes and help remove foreign particles, irritants, or chemicals. Rapid response through eyewash stations can prevent or reduce eye injuries and potential long-term damage.
4. Compliance with Regulations: Safety showers and eyewash stations are often required by safety regulations and standards, such as the Occupational Safety and Health Administration (OSHA) guidelines. Compliance with these regulations is necessary to ensure a safe working environment and avoid potential penalties.
5. Employee Well-being: By providing safety showers and eyewash stations, employers demonstrate their commitment to the health and safety of their employees. Knowing that these emergency devices are readily available can help boost employee confidence, morale, and overall well-being.
6. Mitigating Liability: Having properly functioning safety showers and eyewash stations in place can help mitigate liability for employers. In the event of an accident or injury, demonstrating that appropriate safety measures were in place and accessible can protect employers from potential legal and financial consequences.
Overall, safety showers and eyewash stations are vital components of workplace safety. They provide immediate response, minimize injuries, comply with regulations, and contribute to a safer and healthier work environment. Employers should regularly inspect, maintain, and educate employees about the proper use of these critical safety devices.
Stocks Availability
Stocks are available, subject to prior sales.
For customisation and project specific order, lead time for production and delivery may be required.
Delivery Information
Our standard delivery lead time is 1-3 working days upon receipt of order confirmation via Purchase Order, Signed quote or a payment confirmation.
We offer Free Delivery for order value above $200 within mainland Singapore (excluding Islands, ports, and special zones.)
Delivery charge of $30 is applicable for order value less than $200.